24V開關電源電路圖 24V電源電路設計原理圖詳解 KIA MOS管
信息來源:本站 日期:2018-04-19
開關電源是把交流電轉換成電子、電氣設備所需直流電源的產品、具有體積小、重量輕、紋波小、效率高、運行噪聲小、工作溫升低、性價比高的特點,同時短路和過載保護及軟起動功能有效保護負載電路不易損壞,是傳統變壓器的理想替代產品。
開關電源廣泛應用在廣告燈箱、通訊器材、工控自動化、小功率直流電機供電等需220V或110V交流電轉換為直流電的場所。分為單組、雙組、三組、四組四種規格,功率范圍從15W~500W,輸出有-5V、5V、-12V、12V、-24V、24V、48V等常規電壓。
24V開關電源,是高頻逆變開關電源中的一個種類。通過電路控制開關管進行高速的道通與截止.將直流電轉化為高頻率的交流電提供給變壓器進行變壓,從而產生所需要的一組或多組電壓!
1.交流電源輸入經整流濾波成直流;
2.通過高頻PWM(脈沖寬度調制)信號控制開關管,將那個直流加到開關變壓器初級上;
3.開關變壓器次級感應出高頻電壓,經整流濾波供給負載;
4.輸出部分通過一定的電路反饋給控制電路,控制PWM占空比,以達到穩定輸出的目的。
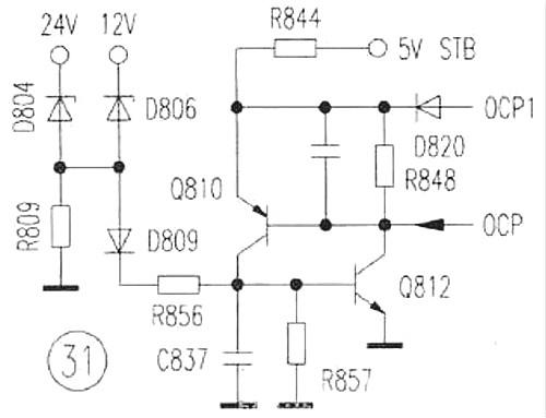
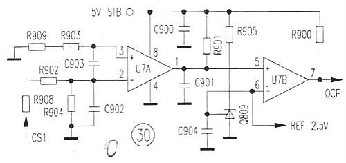
24V開關電源電路圖
(一)
(二)
聯系方式:鄒先生
聯系電話:0755-83888366-8022
手機:18123972950
QQ:2880195519
聯系地址:深圳市福田區車公廟天安數碼城天吉大廈CD座5C1
請搜微信公眾號:“KIA半導體”或掃一掃下圖“關注”官方微信公眾號
請“關注”官方微信公眾號:提供 MOS管 技術幫助
